告别虚标!水芯真22.5W 移动电源 SOC——M12218/9
2023-04-03
12:11:23
来源: 互联网
点击
移动电源已经成为生活必备品,更在2023年逆势增长。近日,国家市场监督管理总局发布公告,充电宝产品将于2023年8月1日起开始实施强制认证(CCC认证),过去低价低质的充电宝时代即将宣告结束,不仅如此,共享充电宝行业或许也将迎来大洗牌。伴随着新措施而来的,还有更高的效率和更高的温度要求(在产品标称工作温度最大负载下,外壳温度不超过60℃),这使得目前的移动电源芯片解决方案无法应对3C时代的高要求,而水芯电子高效率移动电源系列芯片,为解决这类问题应运而生。除了大家熟知的明星产品M12269和M12369等大功率升降压SOC移动电源SOC芯片外,本文重点介绍的就是这个家族中真22.5W的M12218和M12229芯片。

M12219芯片示意图
M12218和M12219是一款面向真22.5W移动电源应用的专用SOC,集成了同步开关升降压变换器、电池充放电管理模块、显示模块、电量计算模块,支持UFCS(可选)、PD3.0、QC3.0、AFC、FCP、SCP、BC1.2、DCP等主流快充协议,并提供输入/输出的过压/欠压、电池过压、过充/过放、NTC过温、放电过流、输出短路保护等完备的保护功能。

M12219电路板示意图
其配合极简的外围电路,即可组成支持LED灯或LED屏的22.5W多口移动电源。该芯片凭借巅峰效率和温度性能、创新的功能、灵活定制能力,帮助移动电源行业客户轻松应对移动电源3C大考。
M12218和M12219真22.5W移动电源芯片全程22.5W输出不降功率,告别虚标!
M12218是LED灯显芯片,M12219是LED屏芯片,其他性能类似。本文将围绕着M12219芯片做系统介绍。

M12219规格书示意图

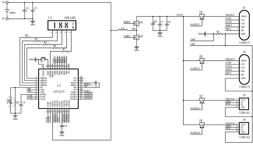
M12219原理简图

M12219芯片示意图
M12218和M12219是一款面向真22.5W移动电源应用的专用SOC,集成了同步开关升降压变换器、电池充放电管理模块、显示模块、电量计算模块,支持UFCS(可选)、PD3.0、QC3.0、AFC、FCP、SCP、BC1.2、DCP等主流快充协议,并提供输入/输出的过压/欠压、电池过压、过充/过放、NTC过温、放电过流、输出短路保护等完备的保护功能。

M12219电路板示意图
其配合极简的外围电路,即可组成支持LED灯或LED屏的22.5W多口移动电源。该芯片凭借巅峰效率和温度性能、创新的功能、灵活定制能力,帮助移动电源行业客户轻松应对移动电源3C大考。
M12218和M12219真22.5W移动电源芯片全程22.5W输出不降功率,告别虚标!
M12218是LED灯显芯片,M12219是LED屏芯片,其他性能类似。本文将围绕着M12219芯片做系统介绍。

M12219规格书示意图
M12219的四大特点
- 高效充放电管理,自动匹配最优充电模式
- 高效双向电压变换器(开关频率:最大1MHz)
- 最大输入/输出功率22.5W
- 超高的充放电效率和温度表现
- 电芯规格:4.2V/4.25V/4.3V/4.4V/4.45V
- 电芯串数:单串
- 支持充电电流自适应,最大充电电流3A
- 放电电压精度:10mV,充电电流精度:5mA
- 支持耳机小电流充电模式
- 支持线损补偿功能
- 支持ABCL口的各种组合,支持双路C口
- 支持带多充电线的充电宝应用
- 支持多种快充协议
- PD3.0/PPS、PD2.0
- QC3.0、QC2.0
- AFC、FCP、SCP
- BC1.2DCP,APPLE2.4A
- UFCS(可选)
- 高度集成
- 内置环路补偿电路
- 内置16-bit高精度ADC
- 内置双路USB Type-C接口
- 集成 IIC 接口,可扩展 MCU
- 集成 188 屏电量显示和快充指示
- 更加安全的保护机制
- 20V 管脚耐压,支持软启动功能
- 过压/欠压、过充/过放、过流、过温、短路保护

M12219原理简图
M12219的四大亮点
- 超高效率和超低温度
- 支持自带三线功能
- 支持耳机小电流充电模式。
- 可以根据客户需求快速定制,体积小、性能强、集成度高、性价比出色。
M12219测试
效率测试
接下来,让我们来看看MERCHIP水芯电子的M12219巅峰效率。从负载电流—转换效率曲线图上来看,M12219的效率最高可达94.74%,高于友商芯片峰值7%左右,如下图所示。

M12219放电效率曲线图

友商放电效率曲线图
温度测试
那在温度方面,我们将两款产品同时放在3.3V的电池,10V/2.25A负载和开放环境下测试,结果发现,M12219的温度仅仅只有55.3℃,远比友商的127.4℃要低得多。同时友商功率无法持续满载输出,降低了功率。

M12219 10V/2.25A 温度示意图
友商 10V/2.25A 温度示意图由此看来,即使在最恶劣的工作条件下,水芯电子M12219仍能长时间全程满载输出,不降功率,温度特性优异,助力轻松应对3C大考。
目前,该芯片已获得多家知名移动电源客户青睐。
双向快充开发平台
'

MERCHIP水芯电子为客户提供了极其方便、功能强大的快充移动电源和储能面板开发平台,可以快速完成产品定制开发设计。利用水芯双向快充开发平台可以快速设计出各种多口大功率产品,提高10倍以上的产品研发效率。
欢迎申请样品
水芯电子联系方式:
张女士:18664323420
除了M12218和M12219这两款明星产品外,MERCHIP水芯电子还推出了从22.5W-140W的完整快充充放电平台。该系列芯片中的M12239等芯片可以支持两路独立快充,实现笔记本和手机同时快充。也可以多颗芯片并联轻松实现多口快充充放电的复杂系统设计。该芯片家族包括以下成员:
| 应用场景 | 芯片型号 |
| 单串单路灯显22.5W充电宝 | M12218 |
| 单串单路屏显22.5W充电宝 | M12219 |
| 2串单路35W充电宝 | M12229 |
| 2串单路35W充电宝 | M12229H |
| 多串单路100W充电宝/储能 | M12266 |
| 多串单路100W充电宝/储能 | M12266H |
| 多串双路100W充电宝/储能 | M12236 |
| 多串双路100W充电宝/储能 | M12236V |
| 多串单路140W充电宝/储能 | M12269 |
| 多串单路140W充电宝/储能 | M12269H |
| 多串双路140W充电宝/储能 | M12239 |
关于MERCHIP水芯电子
MERCHIP水芯电子凭借可重构数字电源芯片技术努力为快充行业客户提供最新最快捷的快充芯片和方案个性化定制服务,最好的满足全球消费者的个性化需求。
作为国内唯一、业界领先的可重构数字电源芯片公司,MERCHIP水芯将联合全球各个领域的头部客户,在消费电子、物联网、家电、医疗、工业、电力、通信、服务器、光伏、储能、汽车等诸多领域实现底层技术创新,逐步建成全球的先进技术创新中心。公司汇聚了多名来自ADI、Renesas、OnSemi等全球著名芯片公司的技术专家和管理、销售人才。水芯的目标就是彻底解决TI等美国芯片巨头的技术垄断。同时逐步实现模拟电源芯片的全面数字化。
水芯官网:merchipmicro.com
水芯公众号:MERCHIP水芯电子
责任编辑:sophie
相关文章
-
- 半导体行业观察
-
- 摩尔芯闻